
Peugeot 205 Manual
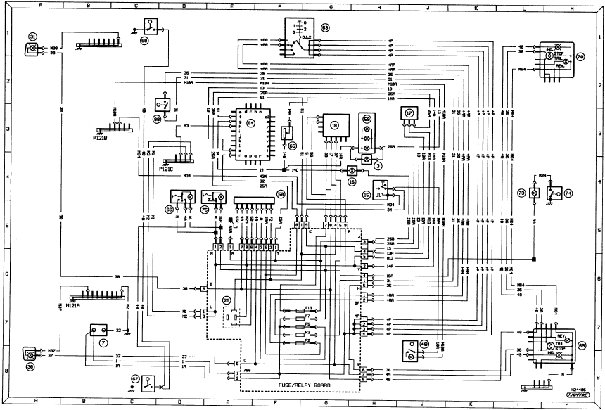
Diagram 2a: Typical exterior lighting - direction indicators and stop-lamps;
typical interior lighting and associated circuitsWiring diagrams / Diagram 2a: Typical exterior lighting - direction indicators and stop-lamps;
typical interior lighting and associated circuits
Diagram 2a: Typical exterior lighting - direction indicators and stop-lamps;
typical interior lighting and associated circuits








© 2025 www.peugeot205.ru. All Rights Reserved.